Locomotiva FS 981

Navigando nel sito di Fondazione FS sono incappato nei disegni della locomotiva FS 981 a scartamento normale con cremagliera ed è stato un colpo di fulmine...
La complessità del progetto mi ha subito attirato molto, anche se i 14 disegni disponibili non mi risolvevano tutti i dubbi che mano a mano sorgevano per capirne il funzionamento. Per fortuna ne ho parlato con Mattia Ragazzoni che è una fonte inesauribile di disegni ed informazioni ed è ben disposto a dare una mano. Poi l'amico Guido Mattoli mi ha combinato una visita a Foligno dove c'è la FS 981 005 e dove ho potuto fare foto e misure nonchè incontrarmi con Mattia per discutere i vari aspetti del progetto. E quindi eccomi qui a cominciare.....
Prima di tutto qualche nota tecnica....
La locomotiva Gruppo 981 è una locotender a vapore surriscaldato a doppia espansione, a scartamento normale con cremagliera. Ha rodiggio 0-3-0. Vennero costruite, in numero di otto, nel 1922 dalla Breda che aveva avuto dalla SLM di Winterthur la licenza per costruirle in Italia.
Il meccanismo della ruota dentata era indipendente dal motore principale e veniva pertanto azionato solo quando la locomotiva si trovava a percorrere i tratti armati a dentiera. In tali situazioni la macchina funzionava con il sistema compound, ovvero a doppia espansione; il motore della ruota dentata era alimentato con il vapore di scarico proveniente dal motore principale, azionato dal vapore ad alta pressione proveniente direttamente dalla caldaia. Pur essendo alimentato con vapore a bassa pressione, il motore della dentiera aveva però cilindrata identica rispetto al motore principale. Per compensare la minor forza dovuta alla minor pressione, i cilindri di bassa pressione compivano allora un po' più del doppio delle corse dei cilindri di alta pressione; la ruota dentata era perciò collegata al motore tramite una trasmissione ad ingranaggi che ne portava la velocità di rotazione a corrispondere a quella delle ruote. Oltre all'ingranaggio per la cremagliera, le locomotive erano anche equipaggiate con una seconda ruota dentata, folle sul primo asse accoppiato e dotata di un freno a ceppi; a questo freno si aggiungeva un freno a nastro, agente sull'albero motore della cremagliera, ed un freno a repressione d'aria sistema Riggenbach, che in pratica faceva lavorare il motore come compressore. In più era presente il solito freno continuo ad aria compressa, che agiva sulle ruote del terzo asse accoppiato.
La frenatura era assicurata da quattro tipi di freno:
Freno a repressione, sistema Riggenbach, da usare per la regolazione della velocità in discesa nei tratti a dentiera.
Freno a ceppi, azionato a mano, sulla ruota dentata agente sulla cremagliera.
Freno a nastro, azionato a mano, sul meccanismo motore a bassa pressione.
Freno a ceppi, ad aria compressa, agente sulle ruote accoppiate posteriori.
In effetti la locomotiva è molto più complessa rispetto a quanto descritto e chi desidera approfondire può trovare in rete maggiori informazioni.
Normalmente costruisco i modelli ferroviari per lo scartamento 5" (127 mm) per farli correre sul mio circuito ma in questo caso, visto che non ho un tracciato a cremagliera, ho optato per lo scartamento 71/4" (184 mm).
La decisione è supportata dal fatto che la scala del 5" (1:11,3) avrebbe reso troppo difficoltoso riprodurre tutti i comandi necessari (rubinetti, valvole, deviatori, ecc.) mentre la scala del 71/4" (1:7,8) rende il tutto più agevole.
Ho iniziato il progetto all'inizio di Gennaio.
28 Marzo 2025
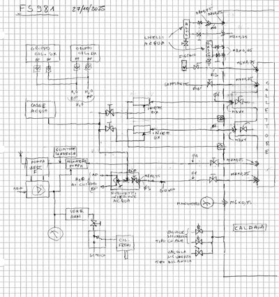
Per prima cosa ho cercato di capire come funzionava l'insieme dei vari organi di propulsione e di frenatura. La documentazione non è molta ed in certi casi è errata.
Avevo fatto uno schizzo che però mi lasciava alcuni dubbi che sono stati risolti parlando con Mattia. Il risultato è questo schizzo che spero non contenga errori (cliccare sull'immagine per ingrandirla):
Il primo problema che si pone è la realizzazione del blocco cilindri alta e bassa pressione comprendente anche la valvola di aspirazione aria ed i due rubinetti di commutazione.
Scartata la possibilità di stampa 3D in metallo che, date le dimensioni, è risultata troppo costosa, ho fatto un primo progetto con la tecnica costruttiva che avevo utilizzato per fare la Big Boy.
Ne è risultato un progetto fattibile ma un po' troppo complesso, comunque ecco il risultato:
Ripensandoci bene poi ho provato a fare qualcosa ricavando il blocco cilindri da un blocco unico di bronzo tramite fresatura e foratura con la tecnica "fora, filetta e tappa".
C'è sempre un bel po' di lavoro da fare, ma il risultato è buono. I cilindri, i distributori, la valvola ed i due rubinetti sono dotati di camicia in acciaio inox.
Un'immagine "trasparente" rende l'dea del lavoro da fare:
Alcune immagini del gruppo cilindri e di sue sezioni:
Il progetto è poi proseguito con il disegno di tutti i biellismi, ruote, ingranaggi e del telaio portante.
Due immagini mostrano il progetto allo stato attuale:
Ho fatto anche un breve filmato con l'animazione del bielliso, visibile su https://youtu.be/hWqpE2mB0s8?si=a1L8MpmZp9GWYNJJ
14 Maggio 2025
Ho completato il biellismo della locomotiva, sia della trazione a semplice aderenza che di quella a cremagliera.
Ho poi disegnato tutti i leverismi per il comando della valvola di aspirazione, dei due rubinetti di commutazione e degli spurghi.
Infine ho poi disegnato il sistema di frenatura del sistema a cremagliera che comprende un doppio freno a nastro sul motore a bassa pressione ed un doppio
freno a ceppi sulla ruota dentata ausiliaria.
Qualche immagine:
Su YouTube all'indirizzo https://youtu.be/_ilPDNC6fog ho pubblicato un breve video che mostra anche l'animazione del biellismo.
A questo punto mi sono un po' stancato di disegnare bielle e leve ed ho deciso di prendermi una pausa passando alla progettazione della pompa
aria Westinghouse che in seguito sarà montata sul lato sinistro della locomotiva e che servirà per azionare un altro tipo di freni.
Quando avevo fatto la Westinghouse "compound" utilizzata con successo nella Bucyrus Erie Crane, per la pompa aria a bassa pressione avevo
utilizzato delle valvole in silicone ad ombrello (Umbrella Valve), ma poi avevo trovato anche un altro tipo di valvola, detta a "becco d'anatra" (Duckbill Valve)
che mi sembrava molto adatto allo scopo.
Ho quindi deciso di costruire due dispositivi di prova, azionati da un pistone manuale che agisce da pompa.
Ecco due immagini. La prima mostra la prova delle valvole ad ombrello e la seconda la prova delle valvole a becco d'anatra:
Visti i risultati delle prove, ho deciso di utilizzare le valvole a becco d'anatra che permettono una realizzazione più compatta e con minor volume
nocivo.
Per il progetto della pompa ho tratto spunto da dei vecchi disegni fatti da un americano, dove la classica valvola a satellite è stata sostituita da una
più semplice da realizzare ma comunque ugualmente funzionale.
Qui di seguito alcune immagini d'insieme e di sezione:
Quella che segue invece è la sezione che mostra l'installazione delle valvole a becco d'anatra:
10 Luglio 2025
Ho completato tutti i meccanismi, leverismi e tiranterie per i seguenti freni:
freno a ceppi, azionato a mano, sulla ruota dentata agente sulla cremagliera
freno a nastro, azionato a mano, sul meccanismo motore a bassa pressione
freno a ceppi, ad aria compressa, agente sulle ruote accoppiate posteriori
Per verificare che non ci siano problemi di interferenze meccaniche con le future caldaia, casse acqua e cabina, ho disegnato dei modelli
provvisori di queste che fanno anche vedere come sarà più o meno la locomotiva una volta finita.
Ecco alcune immagini del lavoro fatto:
19 Settembre 2025
Il lavoro è proceduto con la progettazione della caldaia e di diversi accessori.
Il primo problema che si è posto è quello di come alimentarla. L'originale era a carbone ma nel modello sarebbe molto difficile introdurre il carbone nella porta del forno perchè il retro della cabina non ha una finestra
abbastanza ampia e centrale per poterlo fare.
Bisognerebbe poter togliere non solo il tetto della cabina ma anche una buona parte della cassa carbone, snaturando l'aspetto complessivo.
Ho quindi deciso di alimentarla a gas propano.
Per il calcolo della caldaia in acciaio inox ho seguito la normativa PED (Pressure Equipment Directive) come già fatto nei miei precedenti lavori.
Per verificare se la caldaia è in grado di fornire la quantità di vapore necessaria e quindi definire l'energia che deve essere fornita dai bruciatori ho calcolato quanto segue.
La velocità max sarà di 10 kmh e le ruote di diametro 133,3 mm in una ora faranno 23870 giri.
La corsa del pistone è di 64 mm e con un cutoff di 80% si avrà immissione di vapore per 51 mm.
L'alesaggio è di 50 mm e quindi il volume di immissione sarà 100138 mm3
Un giro ruota comporta 4 immissioni e quindi 400552 mm3
In un'ora il volume totale di vapore immesso sarà di 9,56 m3
Alla pressione di 0,6 MPa il vapore saturo pesa 3,17 kg/m3 e quindi il consumo orario sarà di 9,56*3,17=30,3 kg
Considerando che l'immissione effettiva sarà poi minore e che la velocità max si raggiunge solo qualche volta, si può ipotizzare un consumo medio del 50%, cioè circa 15 kg/ora.
Per verificare se la caldaia è in grado di fornire la quantità di vapore necessaria, ho utilizzato l'articolo del notissimo Kozo Hiraoka "Safety Valves for Live Steam Boilers" apparso sul numero January/February 2007
della rivista americana LIVE STEAM & OUTDOOR RAILROADING.
L'articolo tratta della progettazione delle valvole di sicurezza "pop" che ho usato per il calcolo di quelle del modello ma riporta anche il calcolo della capacità di vaporizzazione della caldaia.
Per prima cosa bisogna calcolare l'area riscaldante totale che è la somma delle superfici interne del fascio tubiero, delle superfici interne del focolare e della piastra frontale (sottraendo le parti non bagnate dall'acqua).
Se l'area risultante è di A m2, la capacità di vaporizzazione sarà G=40*A kg/h.
Nel mio caso A=0,52 m2 e quindi G=20,8 kg/h
A 0,6 MPa per vaporizzare l'acqua servono 2762 kJ/kg. Quindi per vaporizzare 20,8 kg/h sarà necessaria una potenza di circa 16 kW.
In effetti poi l'efficienza di tutto il sistema sarà molto bassa per cui ho preferito stare largo e basarmi su una potenza più elevata; poi al momento delle prove basterà variare la pressione del gas ai bruciatori per adeguarsi
alla reale potenza richiesta.
Per quanto riguarda i bruciatori ho utilizzato l'articolo "Building a Ten-Wheeler, Part 5: "Swiss Cheese" Propane Burners" di Jan-Eric Nyström apparso sul numero January/February 2010 della rivista americana
LIVE STEAM & OUTDOOR RAILROADING.
Nella caldaia originale il focolare è inclinato per poter funzionare regolarmente anche quando la locomotiva è in salita. Questo mi complicava un po' la costruzione e quindi ho cercato di trovare un compromesso.
Ecco quindi alcune immagini della caldaia completa di camera fumo ed alcuni accessori:
I bruciatori sono 6, ciascuno con una potenza nominale max di 6 kW e montati su un collettore per il gas.
Ecco un paio di immagini ed una foto dei bruciatori in funzione, tratta dall'articolo sopra citato:
La locomotiva è dotata di due iniettori per caricare l'acqua in caldaia. Per garantire un buon funzionamento di questi, le valvole del vapore che li alimentano devono essere ad apertura rapida.
Ecco l'immagine della sezione di una valvola:
Quando la locomotiva è in salita, nella parte posteriore l'acqua raggiunge la parte superiore, per cui il vapore che alimenta il collettore delle valvole viene prelevato nel duomo.
Il regolatore è all'interno del duomo. Come si vede dall'immagine che segue, i fori di apertura della valvola rotativa sono sagomati per linearizzare la portata di vapore con l'angolo di rotazione:
La FS 981 è dotata di tre valvole di sicurezza, due di tipo Coale ed una a bilancia.
Nel modello le due valvole Coale sono esteticamente simili a quelle reali, ma in pratica sono due valvole "pop" realizzate seguendo l'articolo di Hiraoka sopra citato:
La valvola a bilancia invece ricalca il funzionamento di quella reale. Ecco due immagini della valvola e del suo carico:
L'acqua proveniente dai due iniettori viene immessa in caldaia tramite valvole di ritenuta.
Le originali sono dotate di un rubinetto di intercettazione che nel modello ho ritenuto non necessario e quindi è solo finto:
Nello schizzo d'insieme dei vari organi di propulsione e di frenatura pubblicato il 28 Marzo 2025 c'è un errore per quanto riguarda la connessione del regolatore ausiliario.
Quello che segue è corretto, almeno per ora.......
Sul lato dx della camera fumo sotto il camino è montato il gruppo "regolatore ausiliario (aux) + valvola strozzamento" che viene utilizzato durante la marcia su tratti a cremagliera.
Il gruppo è costituito da due valvole di regolazione e due valvole di sicurezza (limitatrici di pressione) collegate come lo schema seguente:
Ecco un paio di immagini ed una sezione:
L'asta di comando della valvola di strozzamento è collegata alla valvola stessa tramite un giunto scorrevole, in quanto la stessa asta con la sua traslazione longitudinale va a comandare la leva della sabbiera.
Ed infine ecco alcune immagini ed una sezione del disegno del modello allo stato attuale:
20 Novembre 2025
Lo schema generale di interconnessione dei vari organi è il seguente:
La cabina è quindi piuttosto complessa e ricca di rubinetti, leve e volantini come si può vedere dalle due immagini che seguono:
Non sto qui a descrivere in dettaglio tutte le manovre che i macchinisti dovevano fare per condurre la locomotiva, soprattutto nei tratti a cremagliera ed in discesa.....
Posso solo immaginare che a fine corsa fossero un po' stanchini.....
Una sola curiosità: prima di iniziare il tratto a cremagliera il macchinista avviava il motore a bassa pressione per preriscaldarlo. La conferma
dell'avvenuto avviamento era data dal dischetto, posto davanti alla cassa acqua del lato destro, che oscillava verticalmente.
Per semplicità il freno Westinghouse è ad azione diretta, senza il circuito tradizionale con la valvola tripla.
Ed ora alcune viste di organi particolari, cominciando dal rubinetto di iniezione acqua nei cilindri durante la frenatura Riggenbach:
Il comando di inversione marcia:
Il comando del freno a nastro:
La FS 981 è dotata di due lubrificatori ad azionamento meccanico.
Quello sul lato destro è azionato dal motore ad alta pressione (AP) e le sue quattro uscite vanno a lubrificare i due cilindri ed i due distributori AP
Quello sul lato sinistro è azionato dal motore a bassa pressione (BP) e le sue quattro uscite vanno a lubrificare i due cilindri ed i due distributori BP
La conversione da moto oscillatorio della leva a moto rotativo interno è ottenuta tramite due cuscinetti unidirezionali a rullini montati contrapposti.
Ecco alcune immagini:
L'ingresso dell'olio nel gruppo cilindri avviene tramite 12 valvole di non-ritorno (ogni distributore ne ha due che sono collegate alla stessa uscita
del lubrificatore):
Ho poi completato la pompa Westinghouse con il lubrificatore a condensazione ed un regolatore che, al raggiungimento della pressione d'aria desiderata,
chiude il vapore alla pompa:
Ed infine due viste della FS 981 allo stato attuale di progetto:
7 Gennaio 2026
Il progetto è proseguito con la sostituzione dei modelli delle casse acqua e della cabina con le parti definitive.
Ho disegnato anche la cassettiera posta sotto la cabina ed i serbatoi aria; di questi, quello sotto la cabina sul lato sinistro
e la valvola tripla ad esso collegata sono fittizi e realizzati solo per funzioni estetiche.
Ho previsto anche un sensore elettronico di pressione collegato al collettore dei bruciatori a propano. L'uscita è collegata al
connettore a 3 poli posto sulla testata posteriore e verrà utilizzata nel circuito di controllo e sicurezza posto nel vagone di servizio
che conterrà anche il serbatoio del propano.
Ed ora una seri di immagini della FS981 terminata. Mancano le tubazioni di collegamento dei vari organi perchè per
disegnarle servirebbe un programma extra che è troppo costoso per l'utilizzo temporaneo che ne farei; ho disegnato solo quelle
più semplici da fare ed alla mia portata.
Ho fatto anche un video, visibile al link
https://youtu.be/D3jtLt8m7sQ?si=gm_ieZic-fprrx1m
12 Febbraio 2026
Per far funzionare la locomotiva è necessario un carro sul quale mettere il serbatoio del propano ed un serbatoio acqua con relativa pompa
da usare in caso di necessità o di emergenza se gli iniettori non funzionano.
Il carro inoltre deve essere provvisto di un efficace impianto di frenatura.
Dopo varie considerazioni ho optato per un carro a due carrelli, ognuno provvisto di ruota dentata per i tratti a cremagliera.
La ruota dentata è montata su un asse con due tamburi di frenatura, ognuno con due ceppi.
Ogni ruota è dotata di due ceppi di frenatura, per un totale di 24 ceppi.
Sul carro si possono caricare due bombole di propano da 10 kg che assicurano circa 7 ore di alimentazione alla massima potenza.
Una pompa elettrica a membrana ed un serbatoio acqua calimentano la caldaia quando si ritiene necessario.
Mi sono poi un po' sbizzarrito a pensare come gestire il tutto ed ho inserito un sensore per visualizzare la pressione del gas ai bruciatori,
una termocoppia per verificare che la fiamma sia accesa e un generatore ad alta tensione per accendere il gas.
Sul carro ho poi previsto tutta una serie di comandi, regolazioni ed una elettronica con display LCD da 4 righe di 20 caratteri per
visualizzare misure, comandi ed allarmi.
La frenatura è assicurata sia tramite un volantino manuale sia tramite un pedale sul lato destro del carro.
Qui di seguito alcune immagini del carrello, del carro completo (manca la parte elettronica) e dell'arco di accensione del gas
e lo schema dell'impianto di controllo:
27 Marzo 2026
Dopo varie considerazioni ho deciso di iniziare la costruzione del modello, partendo dal gruppo cilindri.
La lavorazione prevede di partire da un blocco di bronzo pieno eseguendo poi le varie lavorazioni; purtroppo non sono in grado di realizzarlo personalmente
per cui ho provato a chiedere dei preventivi che sono risultati piuttosto costosi visto il numero di ore necessarie per la sua costruzione.
Sono quindi tornato all'idea iniziale di fare il blocco cilindri collegando le parti con tubi e raccordi vari, un lavoro piuttosto complicato ma realizzabile in qualche
modo con la mia attrezzatura, soluzione più economica che non tiene conto delle ore necessarie.
Ho quindi rifatto il progetto del gruppo cilindri e le immagini che seguono mostrano il risultato. In particolare le sezioni fanno vedere le varie commutazioni necessarie
per la trazione a cremagliera e la frenatura Riggenbach.
Ho cominciato realizzando le camicie delle valvole di bassa ed alta pressione. Sono in acciaio inox e le ho forate utilizzando il 4° asse
della fresatrice CNC:
29 Maggio 2026
Ho proseguito poi con le camicie in inox dei cilindri AP e BP ed i corpi in bronzo delle valvole e dei cilindri AP e BP.
Le immagini che seguono fanno vedere in trasparenza quanto deve essere realizzato:
Le lavorazioni sono state eseguite sia tramite il 4° asse della fresatrice CNC sia col tornio munito di testa motorizzata montata sul portautensili:
Ed ecco il risultato: i corpi e le camicie dei cilindri, i corpi delle valvole ed un'immagine complessiva
Sono quindi passato alla costruzione del corpo del blocco delle "valvole di commutazione C", realizzato partendo da un unico blocco di bronzo.
Un'immagine "trasparente" rende l'idea del lavoro da fare:
Questa è stata lavorata esclusivamente sulla mia vecchia fresa manuale, ad eccezione delle cave per le O.R. fatte sul tornio:
Le immagini che seguono mostrano il risultato finale: